| Sign In | Join Free | My xuijs.com | 
 | 
Brand Name : HENGXIANG
Model Number : K100-C Series
Certification : CE,ISO9001
Place of Origin : Shanghai,China
MOQ : 1pcs encoder to start order
Price : negotiable
Payment Terms : D/A, D/P, T/T, Western Union, Credit Card, Master Card,Paypal, etc
Supply Ability : 100K pieces per year
Delivery Time : 3-5 working days for sample order, 7-15 working days for mass order
Packaging Details : each 1 piece was packed into single carton box
Product name : High resolution optical encoder
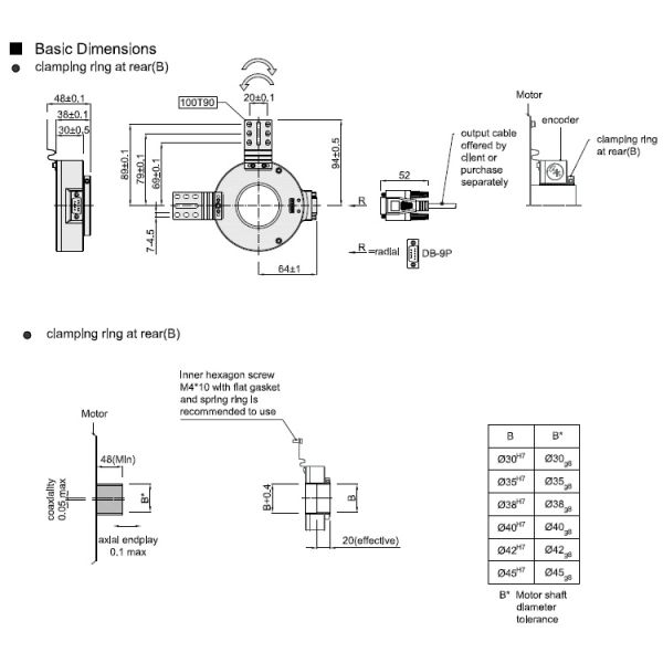
External diameter : 100mm
Resolution : 100ppr(Min) to 48000ppr(Max)
Installation dimension : R50mm(spring plate 100T90)
Optional supply voltage : DC5V & DC8-30V
Output mode : Open Collector, Voltage output, Push-pull, TTL,HTL
Shaft load : Radial 90N; Axial 60N
Protection grade : IP50
K100 through hole encoder external diameter 100mm shaft 42mm 12000ppr high resolution rotary encoder
About Encoder Vibration
Vibration acting on an encoder always cause wrong pulse easily.
So we have to pay more attention to encoder working place.
The more pulse per round, the narrower groovy spacing of grating, ore effect to encoder by vibration, when motor speed is low or even stopped, vibration acting on encoder shaft or encoder shell would cause grating vibration, in this way, encoder might show wrong pulse signal.
Encoder Usage
VFFS machine
Packing machinery
Capsule filling machine
Pharmaceutical machine
VVVF motor
Textile dyeing
Leather machine
Paper equipment
Industrial machinery
Paper cutter
CNC machine tool
Automatic measurement
Remote control
Our factory
1. Own brand of "HENGXIANG" encoder
2. Has ISO9001:2000 Quality Management System Certificate and CE Certification
3. Invention patents five and utility model patents five
4. Passed Shanghai New and High-tech Achievements Transformation Project.
5. Our target: Meeting Client's Requirement,Creating Social value,serving clients attentively and Achieving win-win.
6. Located in Shanghai city
7. 20-30 experienced workers
Lead Time
3-5 working days for sample after full paid
7-15 days for mass production after full paid
Parameter table
Cable length
Protection grade
Cable length
Certification
| Items | Basic parameters | 
| Brand | HENGXIANG | 
| Encoder type | Incremental encoder | 
| External diameter | 100mm | 
| Thickness | 38mm | 
| Installation dimension | R50mm(spring plate 100T90) | 
| Hollow shaft type | through hole (clamping ring at prior and clamping ring at rear) | 
| Hollow shaft diameter | 30mm,35mm,38mm;40mm;42mm;45mm; | 
| Resolution | 100;360;512;1000;1024;1200;2000;2048;2500;2880;3000;3600; 4096; 5000;5760;8192;10000;11520;12000;20000;24000;40000;48000; | 
| 2048/6;2048/8;2048/10;2500/4;2500/6;2500/8;2500/16; 4096/4;4096/6;4096/8;4096/16;5000/6;5000/8;5000/10;5000/12; | |
| 8192/6;8192/8;/8192/10;10000/6;10000/8;10000/10;10000/16; | |
| Output phase | Phase A+,B+,Z+,A-,B-,Z-,U+,V+,W+,U-,V-,W- | 
| Supply voltage | DC5V ; DC8-30V | 
| Outlet type | Socket out from side | 
| Output mode | NPN/PNP(Open Collector Output) | 
| Voltage output | |
| Push-pull output | |
| line drive (26LS31) TTL | |
| line drive(DC8-30V) HTL | |
| 1000mm(cable with shielding) | |
| IP50 | |
| 1M (cable length could be added appropriately by | |
| require, but it need payment individually) | |
| CE | 
More information
If you are looking for more information about our factory or about our products, please contact us or email us right now, we will reply you as soon as possible.
FAQ
Q: How to order your encoder?
A: Contact us, or email us, we will reply you as soon as possible.
Q: Are you a factory or a trading company?
A: we are 100% factory with our brand.
Q: What’s your brand?
A: HENGXIANG
Q: Can you product ship to our country?
A: Yes, please advise your destination and zip code, we will check freight cost for you immediately.
Q: How to get the latest price?
A: Contact us and tell me the encoder model selection.
Q: What’s your encoder product guarantee policy?
A: 1 year quality warranty and life-long technical support.
Q: Where can I download the encoder catalogue or datasheet?
A: You could visit our official website or email us directly to the latest files.
Q: What parameters are requested before ordering an encoder?
A: You should get some basic parameters before you start to order. Such as installation dimensions, resolutions, circuit signal, power supply voltage, etc.
If you have any doubt on selecting the model, you are welcome to contact us for more assistant.
Q: Where is your factory?
A: Our factory is located on Shanghai City.
About Encoder Vibration
Vibration acting on an encoder always cause wrong pulse easily.
So we have to pay more attention to encoder working place.
The more pulse per round, the narrower groovy spacing of grating, ore effect to encoder by vibration, when motor speed is low or even stopped, vibration acting on encoder shaft or encoder shell would cause grating vibration, in this way, encoder might show wrong pulse signal.
Encoder Usage
VFFS machine
Packing machinery
Capsule filling machine
Pharmaceutical machine
VVVF motor
Textile dyeing
Leather machine
Paper equipment
Industrial machinery
Paper cutter
CNC machine tool
Automatic measurement
Remote control
Our factory
1. Own brand of "HENGXIANG" encoder
2. Has ISO9001:2000 Quality Management System Certificate and CE Certification
3. Invention patents five and utility model patents five
4. Passed Shanghai New and High-tech Achievements Transformation Project.
5. Our target: Meeting Client's Requirement,Creating Social value,serving clients attentively and Achieving win-win.
6. Located in Shanghai city
7. 20-30 experienced workers
Lead Time
3-5 working days for sample after full paid
7-15 days for mass production after full paid
Parameter table
Cable length
Protection grade
Cable length
Certification

| Items | Basic parameters | 
| Brand | HENGXIANG | 
| Encoder type | Incremental encoder | 
| External diameter | 100mm | 
| Thickness | 38mm | 
| Installation dimension | R50mm(spring plate 100T90) | 
| Hollow shaft type | through hole (clamping ring at prior and clamping ring at rear) | 
| Hollow shaft diameter | 30mm,35mm,38mm;40mm;42mm;45mm; | 
| Resolution | 100;360;512;1000;1024;1200;2000;2048;2500;2880;3000;3600; 4096; 5000;5760;8192;10000;11520;12000;20000;24000;40000;48000; | 
| 2048/6;2048/8;2048/10;2500/4;2500/6;2500/8;2500/16; 4096/4;4096/6;4096/8;4096/16;5000/6;5000/8;5000/10;5000/12; | |
| 8192/6;8192/8;/8192/10;10000/6;10000/8;10000/10;10000/16; | |
| Output phase | Phase A+,B+,Z+,A-,B-,Z-,U+,V+,W+,U-,V-,W- | 
| Supply voltage | DC5V ; DC8-30V | 
| Outlet type | Socket out from side | 
| Output mode | NPN/PNP(Open Collector Output) | 
| Voltage output | |
| Push-pull output | |
| line drive (26LS31) TTL | |
| line drive(DC8-30V) HTL | |
| 1000mm(cable with shielding) | |
| IP50 | |
| 1M (cable length could be added appropriately by | |
| require, but it need payment individually) | |
| CE | 
More information
If you are looking for more information about our factory or about our products, please contact us or email us right now, we will reply you as soon as possible.
FAQ
Q: How to order your encoder?
A: Contact us, or email us, we will reply you as soon as possible.
Q: Are you a factory or a trading company?
A: we are 100% factory with our brand.
Q: What’s your brand?
A: HENGXIANG
Q: Can you product ship to our country?
A: Yes, please advise your destination and zip code, we will check freight cost for you immediately.
Q: How to get the latest price?
A: Contact us and tell me the encoder model selection.
Q: What’s your encoder product guarantee policy?
A: 1 year quality warranty and life-long technical support.
Q: Where can I download the encoder catalogue or datasheet?
A: You could visit our official website or email us directly to the latest files.
Q: What parameters are requested before ordering an encoder?
A: You should get some basic parameters before you start to order. Such as installation dimensions, resolutions, circuit signal, power supply voltage, etc.
If you have any doubt on selecting the model, you are welcome to contact us for more assistant.
Q: Where is your factory?
A: Our factory is located on Shanghai City.
|   | 
| K100 Through Hole High Resolution Rotary Encoder External Diameter 100mm Shaft 42mm 12000ppr Images | 
 Hub Shaft Small Optical Encoder hollow Hole 8mm ABZ UVWphase OIH48 2500P4 L6 5V
                                                                                        
                                                        
                        
                        
                        
                                                            Hub Shaft Small Optical Encoder hollow Hole 8mm ABZ UVWphase OIH48 2500P4 L6 5V
                                                    
                        
                     8192 High Resolution Optical Rotary Encoder Open Collector Output Incremental
                                                                                    
                        
                        
                        
                                                            8192 High Resolution Optical Rotary Encoder Open Collector Output Incremental
                                                    
                        
                     S58 Push Pull High Resolution Rotary Encoder 10000 Pules With Alarm / Sensing
                                                                                    
                        
                        
                        
                                                            S58 Push Pull High Resolution Rotary Encoder 10000 Pules With Alarm / Sensing
                                                    
                        
                     Custom Size K50 High Resolution Rotary Encoder External Diameter 50mm
                                                                                    
                        
                        
                        
                                                            Custom Size K50 High Resolution Rotary Encoder External Diameter 50mm
                                                    
                        
                     K38 Series Shaft Position Encoder 16384 Revolution Outer Diameter 38mm
                                                                                    
                        
                        
                        
                                                            K38 Series Shaft Position Encoder 16384 Revolution Outer Diameter 38mm
                                                    
                        
                     Solid Cone Shaft Hall Rotary Encoder KN 40 Taper Shaft 10mm 20000 Pulse Line
                                                                                    
                        
                        
                        
                                                            Solid Cone Shaft Hall Rotary Encoder KN 40 Taper Shaft 10mm 20000 Pulse Line
                                                    
                        
                     DC8-30V High Accuracy Rotary Encoder Radial Socket K100 Open Collector WDG100H
                                                                                    
                        
                        
                        
                                                            DC8-30V High Accuracy Rotary Encoder Radial Socket K100 Open Collector WDG100H
                                                    
                        
                     Through Hole 82mm High Resolution Rotary Encoder 80000ppr TTL Output K158
                                                                                    
                        
                        
                        
                                                            Through Hole 82mm High Resolution Rotary Encoder 80000ppr TTL Output K158
                                                    
                        
                     Hollow Shaft High Resolution Rotary Encoder Lightweight External Diameter 130mm
                                                                                    
                        
                        
                        
                                                            Hollow Shaft High Resolution Rotary Encoder Lightweight External Diameter 130mm
                                                    
                        
                     Rotary Encoder Stainless steel High Protection IP67 High Resolution UVW Signal
                                                                                        
                                                        
                        
                        
                        
                                                            Rotary Encoder Stainless steel High Protection IP67 High Resolution UVW Signal